With their high efficiency, TopLine fan coil units can quickly cool or heat the room to provide a comfortable environment for the inhabitants. The fan coil units are rugged in design and are capable of long-term fault-free operation.



2 pipe units.
| Specifications | Units | TL 0.2T | TL 1.2T | TL 2.2T | TL 3.2T | ||||||||
| Speed | 1 | 2 | 3 | 1 | 2 | 3 | 1 | 2 | 3 | 1 | 2 | 3 | |
| Air flow | m3/h | 310 | 420 | 610 | 310 | 420 | 520 | 320 | 500 | 710 | 430 | 610 | 880 |
| Cooling total emission | kW | 1,25 | 1,60 | 1,92 | 1,82 | 2,31 | 2,64 | 2,23 | 3,30 | 4,26 | 2,91 | 3,82 | 4,93 |
| Cooling sensible emission | kW | 0,99 | 1,29 | 1,58 | 1,33 | 1,72 | 2,00 | 1,55 | 2,35 | 3,11 | 2,05 | 2,75 | 3,65 |
| Heating | kW | 1,38 | 1,80 | 2,24 | 1,85 | 2,42 | 2,80 | 2,12 | 3,28 | 4,37 | 2,85 | 3,85 | 5,15 |
| Dp Cooling | kPa | 4,5 | 7,0 | 10,0 | 4,9 | 7,6 | 9,7 | 6,4 | 13,0 | 20,9 | 7,5 | 12,4 | 19,7 |
| Dp Heating | kPa | 4,4 | 7,2 | 10,7 | 4,3 | 6,9 | 9,0 | 2,8 | 6,1 | 10,2 | 6,2 | 10,6 | 17,8 |
| Sound power Lw | dB(A) | 33 | 40 | 49 | 33 | 40 | 45 | 33 | 45 | 53 | 41 | 49 | 59 |
| Sound pressure Lp (*) | dB(A) | 24 | 31 | 40 | 24 | 31 | 36 | 24 | 36 | 44 | 32 | 40 | 50 |
| Fan | W | 25 | 32 | 57 | 25 | 32 | 44 | 25 | 44 | 68 | 32 | 57 | 90 |
| А | 0,11 | 0,15 | 0,27 | 0,11 | 0,15 | 0,20 | 0,11 | 0,20 | 0,32 | 0,15 | 0,27 | 0,45 | |
| Water content | l | 0,8 | 1,4 | 2,1 | 2,1 | ||||||||
| Dimensions | mm | 575×575×275 | |||||||||||
| Specifications | Units | TL 4.2T | TL 5.2T | TL 6.2T | ||||||
| Speed | 1 | 2 | 3 | 1 | 2 | 3 | 1 | 2 | 3 | |
| Air flow | m3/h | 630 | 820 | 1140 | 710 | 970 | 1500 | 710 | 1280 | 1820 |
| Cooling total emission | kW | 4,18 | 4,86 | 6,08 | 5,27 | 6,72 | 9,39 | 5,27 | 8,36 | 10,93 |
| Cooling sensible emission | kW | 3,00 | 3,53 | 4,51 | 3,42 | 4,42 | 6,36 | 3,67 | 6,00 | 8,08 |
| Heating | kW | 4,27 | 5,03 | 6,50 | 4,92 | 6,40 | 9,23 | 5,12 | 8,55 | 11,72 |
| Dp Cooling | kPa | 10,9 | 14,3 | 21,6 | 9,4 | 14,7 | 26,9 | 9,4 | 21,8 | 35,6 |
| Dp Heating | kPa | 7,0 | 9,4 | 15,0 | 7,1 | 11,4 | 22,0 | 7,6 | 19,2 | 33,8 |
| Sound power Lw | dB(A) | 33 | 40 | 48 | 34 | 40 | 53 | 34 | 48 | 58 |
| Sound pressure Lp (*) | dB(A) | 24 | 31 | 39 | 25 | 31 | 44 | 25 | 39 | 49 |
| Fan | W | 33 | 48 | 77 | 42 | 63 | 120 | 42 | 95 | 170 |
| А | 0,15 | 0,23 | 0,63 | 0,18 | 0,28 | 0,53 | 0,18 | 0,42 | 0,74 | |
| Water content | l | 3,0 | 4,0 | 4,0 | ||||||
| Dimensions | mm | 820×820×303 | ||||||||
COOLING
Entering air temperature +27 °C d.b. + 19 °C w.b.
Water temperature +7 °C E.W.T. + 12 °C L.W.T.
HEATING
Entering air temperature +20 °C
Water temperature +65 °C E.W.T. +55 °C L.W.T.
Condensate pump absorption: 10 W
(*) = The sound pressure levels are 9 dB(A) lower than the sound power levels and apply to the reverberant field of a
100 m3 room and a reverberation time of 0.5 sec.
4 pipe units
| Specifications | Units | TL 0.4T | TL 1.4T | TL 2.4T | TL 2.6T | ||||||||
| Speed | 1 | 2 | 3 | 1 | 2 | 3 | 1 | 2 | 3 | 1 | 2 | 3 | |
| Air flow | m3/h | 310 | 420 | 610 | 310 | 420 | 520 | 310 | 500 | 710 | 320 | 500 | 720 |
| Cooling total emission | kW | 1,49 | 1,93 | 2,27 | 1,83 | 2,33 | 2,66 | 1,83 | 2,61 | 3,27 | 2,07 | 3,02 | 3,86 |
| Cooling sensible emission | kW | 1,13 | 1,52 | 1,84 | 1,32 | 1,68 | 1,94 | 1,32 | 1,94 | 2,49 | 1,47 | 2,20 | 2,88 |
| Dp Cooling | kPa | 6,0 | 10,0 | 13,5 | 4,6 | 6,9 | 8,8 | 4,6 | 8,8 | 13,4 | 4,0 | 7,0 | 10,5 |
| Heating | kW | 1,72 | 2,23 | 2,66 | 2,13 | 2,66 | 3,04 | 2,13 | 3,04 | 3,86 | 1,73 | 2,71 | 2,91 |
| Dp Heating | kPa | 5,2 | 8,3 | 11,4 | 4,6 | 6,8 | 8,7 | 4,6 | 8,7 | 13,3 | 2,6 | 4,6 | 6,7 |
| Sound power Lw | dB(A) | 33 | 40 | 49 | 33 | 40 | 45 | 33 | 45 | 53 | 33 | 45 | 53 |
| Sound pressure Lp (*) | dB(A) | 24 | 31 | 40 | 44 | 31 | 36 | 24 | 36 | 44 | 24 | 36 | 44 |
| Fan | W | 25 | 32 | 57 | 25 | 32 | 44 | 25 | 44 | 68 | 25 | 44 | 68 |
| А | 0,11 | 0,15 | 0,27 | 0,11 | 0,15 | 0,20 | 0,11 | 0,20 | 0,32 | 0,11 | 0,20 | 0,32 | |
| Cooling water content | l | 1,0 | 1,4 | 1,4 | 1,7 | ||||||||
| Heating water content | l | 0,6 | 0,7 | 0,7 | 0,5 | ||||||||
| Dimensions | mm | 575×575×275 | |||||||||||
| Specifications | Units | TL 3.4T | TL 3.6T | TL 4.4T | TL 5.4T | ||||||||
| Speed | 1 | 2 | 3 | 1 | 2 | 3 | 1 | 2 | 3 | 1 | 2 | 3 | |
| Air flow | m3/h | 430 | 610 | 880 | 430 | 610 | 880 | 630 | 820 | 1140 | 710 | 970 | 1500 |
| Cooling total emission | kW | 2,33 | 2,96 | 3,72 | 2,69 | 3,47 | 4,44 | 4,11 | 4,98 | 6,26 | 4,48 | 5,60 | 7,59 |
| Cooling sensible emission | kW | 1,72 | 2,23 | 2,88 | 1,94 | 2,56 | 3,37 | 2,93 | 3,60 | 4,61 | 3,21 | 4,09 | 5,71 |
| Dp Cooling | kPa | 7,2 | 11,2 | 17,0 | 6,0 | 9,0 | 14,0 | 8,8 | 12,5 | 18,9 | 10,3 | 15,4 | 26,9 |
| Heating | kW | 2,61 | 3,33 | 4,19 | 2,14 | 2,66 | 3,29 | 5,21 | 6,33 | 8,02 | 5,69 | 7,15 | 9,66 |
| Dp Heating | kPa | 6,4 | 9,9 | 15,0 | 3,9 | 5,7 | 8,4 | 7,9 | 11,2 | 17,2 | 9,3 | 14,0 | 24,0 |
| Sound power Lw | dB(A) | 41 | 49 | 59 | 41 | 49 | 59 | 33 | 40 | 48 | 34 | 40 | 53 |
| Sound pressure Lp (*) | dB(A) | 32 | 40 | 50 | 32 | 40 | 50 | 24 | 31 | 39 | 25 | 31 | 44 |
| Fan | W | 32 | 57 | 90 | 32 | 57 | 90 | 33 | 48 | 77 | 42 | 63 | 120 |
| А | 0,15 | 0,27 | 0,45 | 0,15 | 0,27 | 0,45 | 0,15 | 0,23 | 0,36 | 0,18 | 0,28 | 0,53 | |
| Cooling water content | l | 1,4 | 1,7 | 3,0 | 3,0 | ||||||||
| Heating water content | l | 0,7 | 0,5 | 1,4 | 1,4 | ||||||||
| Dimensions | mm | 575×575×275 | 820×820×303 | ||||||||||
| Specifications | Units | TL 5.6T | TL 6.4T | TL 6.6T | ||||||
| Speed | 1 | 2 | 3 | 1 | 2 | 3 | 1 | 2 | 3 | |
| Air flow | m3/h | 710 | 970 | 1500 | 710 | 1280 | 1820 | 710 | 1225 | 1730 |
| Cooling total emission | kW | 4,95 | 6,27 | 8,65 | 4,48 | 6,84 | 8,72 | 4,95 | 7,75 | 9,69 |
| Cooling sensible emission | kW | 3,49 | 4,49 | 6,37 | 3,21 | 5,09 | 6,67 | 3,49 | 5,64 | 7,26 |
| Dp Cooling | kPa | 9,0 | 14,0 | 25,0 | 10,3 | 22,1 | 34,7 | 9,0 | 20,0 | 32,0 |
| Heating | kW | 4,59 | 5,63 | 7,50 | 5,69 | 8,80 | 11,16 | 4,59 | 6,78 | 9,48 |
| Dp Heating | kPa | 4,9 | 7,0 | 11,8 | 9,3 | 20,3 | 31,2 | 4,9 | 9,9 | 15,0 |
| Sound power Lw | dB(A) | 34 | 40 | 53 | 34 | 48 | 58 | 34 | 48 | 58 |
| Sound pressure Lp (*) | dB(A) | 25 | 31 | 44 | 25 | 39 | 49 | 25 | 39 | 49 |
| Fan | W | 42 | 63 | 120 | 42 | 95 | 170 | 42 | 95 | 170 |
| А | 0,18 | 0,28 | 0,53 | 0,18 | 0,42 | 0,74 | 0,18 | 0,42 | 0,74 | |
| Cooling water content | l | 3,6 | 3,0 | 3,6 | ||||||
| Heating water content | l | 1,0 | 1,4 | 1,1 | ||||||
| Dimensions | mm | 820×820×303 | ||||||||
COOLING
Entering air temperature +27 °C d.b. + 19 °C w.b.
Water temperature +7 °C E.W.T. + 12 °C L.W.T.
HEATING
Entering air temperature +20 °C
Water temperature +65 °C E.W.T. +55 °C L.W.T.
Condensate pump absorption: 10 W
(*) = The sound pressure levels are 9 dB(A) lower than the sound power levels and apply to the reverberant field of a
100 m3 room and a reverberation time of 0.5 sec.
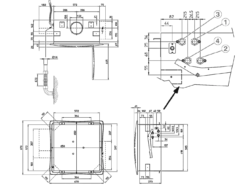
TL 0.2T-0.4T / TL 1.2T-1.4T / TL 2.2T-2.4T-2.6T / TL 3.2T-3.4T-3.6T (Version 600 x 600)

2-pipe system
Heating/cooling
3 - Inlet Ø1/2"
4 - Outlet Ø1/2"
4-pipe system
Heating
1 - Ø1/2" inlet
2 - Outlet Ø1/2"
Cooling
3 - Inlet Ø1/2"
4 - Outlet Ø1/2"
| Model | Fan coil | Panel | Packed unit Dimensions, mm | |||||
| Weights packed unit, kg |
Weights unpacked unit, kg |
Weights packed unit, kg |
Weights unpacked unit, kg |
A | B | C | D | |
| TL 0.2T/1.2T | 28 | 22 | ||||||
| TL 0.4T/1.4T | 6 | 3 | 790 | 350 | 750 | 150 | ||
| TL 2.2T/2.4T/2.6T | 30 | 24 | ||||||
| TL 3.2T/3.4T/3.6T | ||||||||
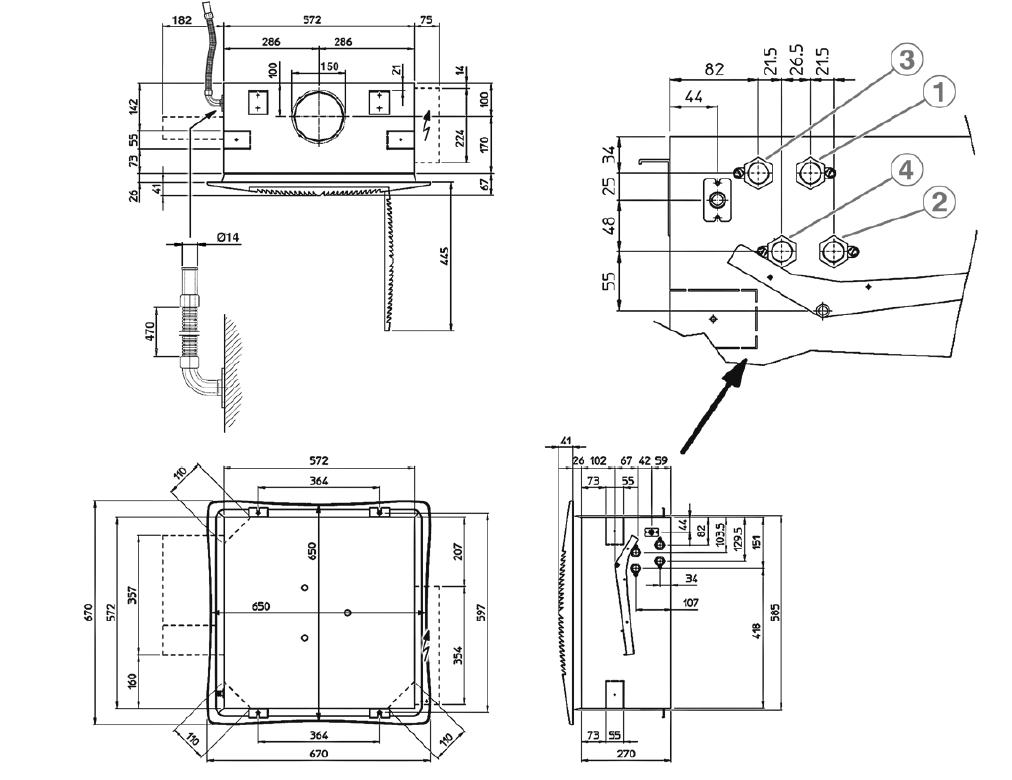
L 4.2T-4.4T / TL 5.2T-5.4T-5.6T / TL 6.2T-6.4T-6.6T (Version 800 x 800)

2-pipe system
Heating/cooling
3 - Inlet Ø3/4”
4 - Outlet Ø3/4”
4-pipe system
Heating
1 - Ø1/2" inlet
2 - Outlet Ø1/2"
Cooling
3 - Inlet Ø3/4”
4 - Outlet Ø3/4”
| Model | Fan coil | Panel | Packed unit Dimensions, mm | |||||
| Weights packed unit, kg |
Weights unpacked unit, kg |
Weights packed unit, kg |
Weights unpacked unit, kg |
A | B | C | D | |
| TL 4.2T | 44 | 36 | ||||||
| TL 4.4T | 10 | 6 | 1050 | 400 | 1000 | 200 | ||
| TL 5.2T/5.4T/5.6T | 47 | 39 | ||||||
| TL 6.2T/6.4T/6.6T | ||||||||