
Height is only 220mm, reduce the limitations of installation space. Light weight design to improve installation convenience.
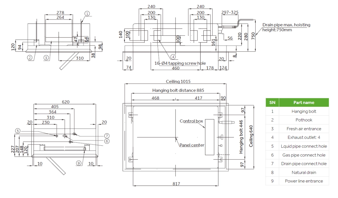
(from the ceiling level) due to drain pump with high head and large volume of condensate.


The air distribution louvers are specially designed so that the air flow is not directed to the ceiling and does not pollute it.
Increased heat exchange area with compact dimensions.


Power saving quieter operation Slideway design Anti-stripping hook.
| Specifications | Units | MIBB-07X1EV1AD | MIBB-09X1EV1AD | MIBB-12X1EV1AD | MIBB-16X1EV1AD | MIBB-18X1EV1AD |
| Capacity | ||||||
| Cooling | kW | 2,20 | 2,80 | 3,60 | 4,50 | 5,60 |
| Heating | kW | 2,50 | 3,20 | 4,00 | 5,00 | 6.,30 |
| Electrical Parameters | ||||||
| Power supply | Ph/V/Hz | 1/220-230/50/(60) | 1/220-230/50/(60) | 1/220-230/50/(60) | 1/220-230/50/(60) | 1/220-230/50/(60) |
| Ventilation | ||||||
| Air flow (H/M/L) | m3/h | 840/700/550 | 840/700/550 | 840/700/550 | 840/700/550 | 840/700/550 |
| Sound pressure (H/M/L) |
dB(A) | 42/37/33 | 42/37/33 | 42/37/33 | 44/39/34 | 44/39/34 |
| Sound power (H/M/L) |
dB(A) | 55/50/46 | 55/50/46 | 55/50/46 | 57/52/47 | 57/52/47 |
| Installation – Dimensions | ||||||
| Net dimensions (WxDxH) |
mm | 817x620x220 | ||||
| Packaged unit dimensions (WxDxH) |
mm | 1015x695x278 | ||||
| Net/gross weight | Kg | 21,0/23,0 | 21,0/23,0 | 21,0/23,0 | 21,0/23,0 | 21,0/23,0 |
| Ø Liquid pipe | mm (inch) | 6,35 (1/4) | 6,35 (1/4) | 6,35 (1/4) | 6,35 (1/4) | 6,35 (1/4) |
| Ø Gas pipe | mm (inch) | 9,52 (3/8) | 9,52 (3/8) | 12,70 (1/2) | 12,70 (1/2) | 12,70 (1/2) |
| Panel | ||||||
| Model | M2B-1055IB | M2B-1055IB | M2B-1055IB | M2B-1055IB | M2B-1055IB | |
| Panel Net dimensions (WxDxH) |
mm | 1055x680x68 | 1055x680x68 | 1055x680x68 | 1055x680x68 | 1055x680x68 |
| Panel Packaging dimensions (WxDxH) |
mm | 1110x720x161 | 1110x720x161 | 1110x720x161 | 1110x720x161 | 1110x720x161 |
| Panel Net/gross weight | Kg | 7,0/8,0 | 7,0/8,0 | 7,0/8,0 | 7,0/8,0 | 7,0/8,0 |
| Specifications | Units | MIBB-24X1EV1AD | MIBB-28X1EV1AD | MIBB-30X1EV1AD | MIBB-38X1EV1AD | MIBB-48X1EV1AD |
| Cooling | kW | 7.1 | 8 | 9 | 11.2 | 14 |
| Heating | kW | 8 | 9 | 10 | 12.5 | 16 |
| Electrical Parameters | ||||||
| Power supply | Ph/V/Hz | 1/220-230/50/(60) | 1/220-230/50/(60) | 1/220-230/50/(60) | 1/220-230/50/(60) | 1/220-230/50/(60) |
| Ventilation | ||||||
| Air flow (H/M/L) | m3/h | 1000/850/700 | 1100/950/800 | 1500/1350/1110 | 1700/1450/1200 | 1950/1750/1350 |
| Sound pressure (H/M/L) |
dB(A) | 40/38/35 | 41/39/36 | 42/39/36 | 44/40/36 | 46/42/38 |
| Sound power (H/M/L) |
dB(A) | 56/54/51 | 57/55/52 | 58/55/52 | 60/56/52 | 62/58/54 |
| Installation – Dimensions | ||||||
| Net dimensions (WxDxH) |
mm | 1000x600x290 | 1400x600x290 | |||
| Packaged unit dimensions (WxDxH) |
mm | 1201x680x377 | 1601x680x377 | |||
| Net/gross weight | Kg | 34/41 | 45/54 | 45/54 | 45/54 | 45/54 |
| Ø Liquid pipe | mm (inch) | 9,52 (3/8) | 9,52 (3/8) | 9,52 (3/8) | 9,52 (3/8) | 9,52 (3/8) |
| Ø Gas pipe | mm (inch) | 15.88 | 15.88 | 15.88 | 15.88 | 15.88 |
| Panel | ||||||
| Model | M2B-1560IB | M2B-1560IB | M2B-1560IB | M2B-1560IB | M2B-1560IB | |
| Panel Net dimensions (WxDxH) |
mm | 1160x665x60 | 1560x665x60 | 1560x665x60 | 1560x665x60 | 1560x665x60 |
| Panel Packaging dimensions (WxDxH) |
mm | 1244x748x159 | 1644x748x159 | 1644x748x159 | 1644x748x159 | 1644x748x159 |
| Panel Net/gross weight | Kg | 6.3/12 | 8/14.5 | 8/14.5 | 8/14.5 | 8/14.5 |
MIBB-07X2EV1AD MIBB-09X2EV1AD MIBB-12X2EV1AD MIBB-16X2EV1AD MIBB-18X2EV1AD
